Парогенератор дизельный 300 кг 130° C 0,17 МПа в Владимире

  • Стабильная выработка сухого пара независимо от нагрузки котла
  • Высокая надежность конструкции благодаря отсутствию температурных расширений
  • Возможность подпитки котла даже холодной водой +5 ºС
Цена с НДС:
661 000 рублей
Цена с НДС на парогенератор дизельный 300 кг 130° C 0,17 МПа с доставкой в
от 661 000 рублей
Условия в
В наличии на складе
Доставка ТК по России и Казахстану
Безналичный расчет
Есть в наличии
Можно купить в лизинг
Дизельный парогенератор 300 кг пара в час
Парогенератор 300 кг пара в час дизельный
Парогенератор 300 кг в час на дизеле
Парогенератор 300 кг в час на дизеле
Дизельный парогенератор 300 кг в час изготовление
Изготовление дизельного парогенератора 300 кг в час
Дизельный парогенератор 300 кг в час устройство
Устройство дизельного парогенератора 300 кг в час
Парогенератор на дизельном топливе 300 кг
Парогенератор 300 кг на дизельном топливе
Парогенераторы 300 кг в час на дизеле производство
Производство парогенераторов 300 кг в час на дизеле
Дизельный парогенератор 300 кг пара в час
Парогенератор 300 кг в час на дизеле
Дизельный парогенератор 300 кг в час изготовление
Дизельный парогенератор 300 кг в час устройство
Парогенератор на дизельном топливе 300 кг
Парогенераторы 300 кг в час на дизеле производство
Видеообзор
Производительность 300 кг/ч
Топливо Жидкое, Дизель
Температура пара, не более 130 °С
Давление пара, не более 0.17 МПа
Технические
характеристики
Описание
товара
Комплект
поставки
Дополнительное
оборудование
Монтаж и схемы
подключения
Сертификаты
и гарантии

Технические характеристики парогенератора 300 кг 130 °С на дизеле

Тип Парогенератор
Вид топки Дизельная горелка
Конструкция котла Жаротрубный
Производительность 300 кг/ч
Производительность 0.3 т/ч
Максимальная тепловая мощность 0.22 МВт
Диапазон регулирования мощности 40-100 %
Топливо Жидкое, Дизель
Низшая теплота сгорания проектного топлива 12000 кКал/кг
КПД котла на ДИЗЕЛЕ, не менее 90 %
Расход ДИЗЕЛЯ при максимальной нагрузке котла 18 кг/ч
Расход условного топлива 31 кг/ч
Температура пара, не более 130 °С
Давление пара, не более 0.17 МПа
Давление пара, не более 1.7 кгс/см²
Давление пара, не более 1.7 бар
Полный объем котла 1.09 м³
Объем паровой части 0.1 м³
Аэродинамическое сопротивление 12 (1.2) Па (мм. вод. ст.)
Тяга Естественная
Объем топочной камеры 0.46 м³
Размер топочной камеры, диаметр*глубина 700х1200 мм
Присоединительные размеры выхода пара 50 Ду
Присоединительные размеры по водяному тракту 25 Ду
Присоединительные размеры по дымовым газам / дымовая труба 200 Ду
Габаритные размеры котла, длина*ширина*высота 2750х1300х1500 мм
Масса 1200 кг
Марка STEAMEXPERT
Энергоэффективность Высокая
Бренд STEAMEXPERT
Чертеж дизельного парогенератора 300 кг 130 С
Дизельный парогенератор 300 кг 130 С чертеж
Парогенератор 300 кг 130 С на дизеле чертеж
Чертеж парогенератора 300 кг 130 С на дизеле

Конструкция и преимущества парогенератора STEAMEXPERT

Промышленный дизельный парогенератор 300 кг в час 130 С марки STEAMEXPERT – выполняется напольной горизонтальной жаротрубной конструкцией. Сам котельный блок состоит из двух обечаек разного диаметра, вставленных одна в другую и соединенных между собой фланцами. Пространство между обечайками заполняется водой. В верхней части котла устанавливается полуцилиндр - это паросборная камера в которой собирается и сепарируется пар.

Обечайка меньшего диаметра (внутренняя) – это жаровая труба. В передней части жаровой трубы размещена топочная часть с отверстием под горелку, в задней части - конвективный пучок труб.

Благодаря большому объему нагреваемой в котле воды и зеркалу испарения, жаротрубный парогенератор ПГ 300 Ж на жидком топливе с температурой пара 130 С имеет следующие преимущества:

  • потребитель получает сухой пар. Сепарационные устройства препятствуют выносу капель воды с зеркала испарения и капель конденсата образующихся на внутренних стенках паропроводов жидкотопливного котла;
  • независимо от нагрузки происходит бесперебойная подача пара;
  • парогенератор пар 300 кг час на дизелеВладимир не боится подпитки даже холодной водой;
  • тепловые расширения металла минимальны поэтому паровой генератор обладает высокой надежностью и долговечностью.

Для удобства обслуживания в процессе эксплуатации в конструкции комбинированного парогенератора предусмотрены следующие технические решения:

  • наружные сажистые отложения очищаются системой обдувки конвективного пакета паром прямо в процессе работы без остановки котла. Для осмотра конвективных поверхностей нагрева, в задней части газоплотный цилиндрический парогенератор КП 300 на дизельном топливе имеет люк для очистки;
  • в задней части котла устанавливается продувочный штуцер Ду 25 для удаления образующегося в котле шлама;
  • на паросборной камере и водомерной колонке установлен вентиль Ду 15 для спуска воздуха при подготовке к работе.
Паровой котел газовый с дымовой трубой

К фронтовой плите котельного блока крепится горелка для подачи топлива в топку котла через амбразуру. Парогенератор Е 0.3 0.17 на газообразном и дизельном топливе низкого давления может работать с длинофакельными горелками различных производителей – ILKA, UNIGAS, BALTUR, ECOSTAR, FBR S.R.L.

На задней крышке котла в основании дымовой трубы выполнен предохранительный взрывной клапан.

Дымовая труба может проходить как по наружной стене помещения, так и через кровлю котельного помещения.

Производственный стационарный дизельный парогенератор steam 300 российского производства подпитывается из питательного бака через электронасос, соединительную арматуру.

Для подпитки желательно устанавливать два насоса – один рабочий и второй резервный.

На боковой части корпуса устанавливается водомерная колонка (датчик уровней воды) и два указателя уровня, связанная с паровым и водяным пространством парогенераторной установки соединительными трубками.

Применение парогенераторов

Наши российские жаротрубные парогенераторы на дизеле производительностью 300 кг пара применяют при производстве ЖБИ изделий, для изготовления пенопласта, химические и фармацевтические предприятия, строительные организации, бетонные заводы, больницы, общественные заведения, воинские части, автоколонны, ДСУ, бани, предприятия нефтегазовой, кожевенной, перерабатывающей промышленности. В пищевой промышленности жидкотопливный парогенератор 0.3 т используют для разморозки, подогрева, пастеризации, стерилизации тары такие предприятия, как спиртзаводы , молочные заводы, птицефабрики для тепловой обработки кормов и ошпаривания птиц, мясокомбинаты и консервные заводы, хлебозаводы, мелькомбинаты, маслосырзаводы, свинокомплексы.

Монтаж котла
Газовый паровой котел схема

Стальной горизонтальный парогенератор СТЛ 300 кг в час дизель для производства пара поставляется блоками максимальной заводской готовности. Котельный блок устанавливается в котельной на специально подготовленную ровную поверхность. Котельный блок подсоединяется по воде, устанавливается запорная арматура на подводящем трубопроводе и отводящем паропроводе, устанавливаются предохранительные клапаны и контрольно-измерительные приборы. Подключается горелка и автоматика. Типовые монтажные схемы вы можете изучить в разделе схемы подключения данного товара. Чтобы перевести парогенератор КПа на жидком топливе производительностью 300 кг в час в водогрейный режим достаточно изменить схему подключения и установить другие предохранительные клапана.

Купить дизельный парогенератор ПГ 300 Ж 130 С

Для того чтобы купить промышленный парогенератор на дизеле 300 кг пара в час, давлением 0.17 МПа и температурой 130 С в Владимире вы можете сделать заявку в отдел сбыта по телефону 8-800-700-06-43, либо оформить заявку через сайт или почту. Менеджеры дадут консультацию по подбору вспомогательного оборудования для выбранных вами моделей и рассчитают стоимость доставки. Доставка до вашего населенного пункта может осуществляться авто, железнодорожным и речным транспортом.

Если вы затрудняетесь с выбором нужной паропроизводительности, мы можем осуществить подбор, для этого нужно заполнить опросный лист или описать ваш техпроцесс.

Комплект поставки парогенератора 300 кг 130 °С на дизеле

Цена парогенератора 300 кг 130 °С на дизеле включает в себя запорную арматуру и КИП в пределах котла, вентилятор поддува и предохранительные клапаны. Ниже приведена подробная информация.

Дополнительное оборудование парогенератора 300 кг 130 °С на дизеле

Для эффективной и надежной работы парогенератора 300 кг 130 °С на дизеле вам потребуется дополнительное оборудование - насос. Мы предлагаем рассмотреть типовые варианты комплектации.

В случае если у вас на объекте имеется насосное оборудование, мы можем проверить совместимость парогенератора 300 кг 130 °С на дизеле нашего производства и вашего оборудования.

По необходимости устанавливаются золоуловители.

Типовую схему монтажа котла вы можете посмотреть во вкладке схемы подключения.

Монтаж и схемы подключения парогенератора 300 кг 130 °С на дизеле

Жаротрубный парогенератор дизельный 300 кг 130° C 0,17 МПа, предназначен для получения насыщенного пара температурой не более 130 °С и давлением не более 0,17 (1,7) МПа (кгс/cм²) для технологических целей в производстве. Устанавливается в производственных и промышленных котельных.

Монтаж и подключение парогенератора 300 кг 130 °С на дизеле

План расстановки оборудования в паровой котельной

Для правильного подключения парогенератора 300 кг 130 °С на дизеле в котельной необходимо оставить проемы для обслуживания оборудования во время эксплуатации. Эти расстояния рекомендованы СНИП II-35-76. На данной схеме представлены их размеры. Кроме того мы составили примерный план, как можно произвести расположение подключение оборудования, а также указали перечень минимально необходимого вспомогательного оборудования для работы котла.

К вспомогательному оборудованию при работе парогенератора 300 кг 130 °С на дизеле относятся:

  • питательные насосы (1 рабочий, 2 резервный);
  • бак запаса воды;
  • охладитель проб отбора воды;
  • система водоподготовки котловой воды;
  • горелочное устройство;
  • автоматика котла.

Водоподготовительная установка подбирается на основе данных химического анализа воды, проводимого специализированной лабораторией.

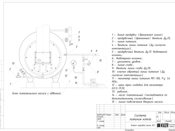
Система питания парогенератора 300 кг 130 °С на дизеле

Система питания котла

При работе котла питание водой парогенератора 300 кг 130 °С на дизеле производится через штуцер.

Подпитка котла ведется из питательного бака через насос, соединительную арматуру. На трубопроводе подпитки котла водой должно быть установлено запорное устройство и обратный клапан. Запорное устройство должно располагаться между котлом и обратным клапаном.

Для подпитки устанавливается не менее двух насосов с электроприводом. На стороне нагнетания каждого центробежного насоса до запорного органа должен быть установлен обратный клапан.

На трубопроводе выдачи пара, в непосредственной близости от котла, устанавливается запорное устройство.

На котле имеются продувочные штуцера Ду25, Ду15 и Ду10. Штуцер Ду25 предназначен для удаления шлама, образующегося в результате работы котла, периодической продувки котловой воды и для спуска воды в случае необходимости. Штуцер Ду15 предназначен для продувки водомерной колонки. Штуцера Ду10 предназначены для продувки указателей уровня.

В передней части жаровой трубы в верхней части установлена легкоплавкая пробка – предохранительное устройство прямого действия.

На боковой части корпуса устанавливается датчик уровней воды, связанный с паровым и водным пространством котла соединительными трубками не менее Ду25.

На боковой части корпуса устанавливается соединительная труба (колонка), служащая для установки двух указателей уровня, и связанная с паровым и водным пространством котла соединительными трубками не менее Ду25.

На боковой части корпуса внизу у котла имеется ревизия с крышкой, для периодического осмотра состояния поверхностей нагрева со стороны водяного объема.

Схема парогенератора 300 кг 130 °С на дизеле

Схема {{parts_subject_r}}

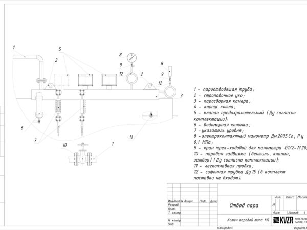
В передней части жаровой трубы размещена топка, а в задней части - конвективный пучок труб.

В верхней части котла приварен паросборник, представляющий собой полуцилиндр. На паросборной камере устанавливаются предохранительные клапаны и два штуцера Ду15, один для установки электроконтактного манометра, второй для спуска воздуха с котла при заполнении водой при подготовке к работе.

К фронтовой плите котла крепится дизельная горелка для подачи топлива в топку котла через амбразуру.

На задней крышке в основании дымовой трубы выполнен предохранительный взрывной клапан.

Образующиеся в топочной камере продукты сгорания проходят конвективный пучок труб и выводятся через трубу дымовую, установленную на корпусе в хвостовой части котла.

Отвод пара парогенератора 300 кг 130 °С на дизеле

Отвод пара {{parts_subject_r}}

Предохранительные клапаны предназначены для стравливания давления в котле при превышении допустимого значения. На котле установлено самопритирающиеся предохранительных клапана пропускной способностью не менее часовой производительности котле.

Принцип работы клапана состоит в том, что при достижении паром номинального давления избыток пара выходит наружу. Клапана оборудованы ручным приводом для открывания при проверке их на срабатывание.

Щит управления совместно с электрооборудованием предназначен для управления работой парогенератора 300 кг 130 °С на дизеле и защиты его при возникновении аварийных ситуаций. На двери щита расположены сигнальная лампа и органы управления работой котла, с табличками, указывающими их назначение. По месту либо на стенке щита крепится сигнальная сирена.

На паросборной камере устанавливается один электроконтактный манометр. При монтаже манометра, показывающего давление пара в котле, должна быть предусмотрена установка трехходового крана между манометром и сифонным устройством. Допускается установка других устройств, позволяющих контролировать показания рабочего манометра, путем подключения в систему контрольного манометра. Электроконтактный манометр выполняет роль датчика давления и предназначен для отключения дутьевого вентилятора и включения аварийной сигнализации при достижении паром предельно допустимого давления.

Датчик уровней служит для подачи команды на включение и отключение питательного насоса котла в процессе работы.

Указатель уровня воды предназначен для визуального контроля за уровнем воды при работе котла. На корпусе указателя крепится рамка или наносятся метки, указывающие верхний и нижний уровень воды.

Легкоплавкая пробка предназначена для сброса пара во внутренний объем топочной камеры в случае упуска воды ниже аварийного уровня и достижения фактического уровня воды на работающем котле ниже верхней кромки жаровой трубы. При этом легкоплавкая пробка перестает охлаждаться котловой водой и нагревается до температуры газов в топочной камере. Из-за нагрева наполнитель легкоплавкой пробки плавится и выдавливается давлением пара в топочную камеру, при этом сбрасывается давление пара и дополнительно гасится пламя.

Сертификаты и гарантии парогенератора 300 кг 130 °С на дизеле

Гарантийный срок на парогенератор дизельный 300 кг 130° C 0,17 МПа 24 месяца.

Сертификат на котлы паровые КП
Сертификат на паровые котлы КП

Отзывы о продукции

Другая похожая продукция

Дизельный парогенератор 300 кг пара в час
Парогенератор дизельный 300 кг 115° C 0,07 МПа
Топливо Жидкое, Дизель
Производительность, кг/ч 300
Температура пара, не более, °С 115
Давление пара, не более, МПа 0.07
540 000 ₽
Парогенератор 300 кг на дизеле температура 170 С
Парогенератор дизельный 300 кг 170° C 0,9 МПа
Топливо Жидкое, Дизель
Производительность, кг/ч 300
Температура пара, не более, °С 170
Давление пара, не более, МПа 0.9
714 000 ₽
Дизельный парогенератор 500 кг пара
Парогенератор дизельный 500 кг 130° C 0,17 МПа
Топливо Жидкое, Дизель
Производительность, кг/ч 500
Температура пара, не более, °С 130
Давление пара, не более, МПа 0.17
757 000 ₽
Дизельный парогенератор 700 кг пара
Парогенератор дизельный 700 кг 130° C 0,17 МПа
Топливо Жидкое, Дизель
Производительность, кг/ч 700
Температура пара, не более, °С 130
Давление пара, не более, МПа 0.17
896 000 ₽