ТЛПХ-1,1/3,0 в Владимире
характеристики
товара
оборудование
и гарантии
Технические характеристики
Топки механические с ленточной колосниковой решеткой прямого хода ТЛПХ-1,1/3,0 предназначены для слоевого сжигания сортированных и рядовых антрацитов, каменных углей марки Г и Д с влажностью не более 12 % и бурых углей с влажностью не более 20 % и применяются с водогрейными котлами КВм, Гефест, а также промышленных печах. Топки ТЛПХ-1,1/3,0 устанавливаются в котельных с механизированной подачей топлива и золошлакоудаления.
Технические характеристики
| Наименование параметра | Топка ТЛПХ-1,1/3,0 |
| Диапазон изменения нагрузки, % | 50...100 |
| Теплонапряжение решетки рекомендуемое, МВт/м2 | 0,7...1,0 (1,2) |
| Потери тепла от химического недожега, %, не более | 1,0 |
| Потери тепла от механического недожега, % | 10,0...13,5 |
| Характеристика топлива:- выход летучих, %, не менее | - влажность, %. не более - 25 - зольность, %, не более - 25 - содержание мелочи (0-6 мм), %, не более - 40 - максимальный размер куска, мм - 40 |
| Живое сечение решетки, % | 5 |
| Скорость движения полотна, м/ч | 1,3....19,3 |
| Ширина решетки, мм | 1100 |
| Расстояние между валами, мм | 3000 |
| Активная площадь решетки, м2 | 2,7 |
| Применение | Водогрейные котлы КВм,котлы Гефест,промышленные печи |
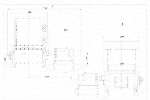
Принцип работы топки
Топливо на ленточную топку ТЛПХ-1,1/3,0 подается транспортером углеподачи. Загрузка решетки топливом осуществляется самотеком через угольный ящик на колосниковую решетку. Топливо на колосниковом полотне сжигается в слое 100-200 мм, при поперечной схеме движения слоя топлива и потоков воздуха в верхнем зажигании. Определенная толщина слоя топлива на колосниковой решетке топки ТЛПХ-1,1/3,0 поддерживается при помощи регулятора слоя в угольном ящике и производится вручную посредством маховиков через червячные передачи редукторов. Количество подаваемого в топку угля регулируется путем изменения скорости движения колосникового полотна.
Под колосниковой решеткой организованы камеры, куда подается необходимый воздух для горения. Подача воздуха должна быть непрерывна, иначе происходит спекание слоя и пережог колосников и регулируется величиной открывания воздушных шиберов. Воздух под колосниковую решетку и на вторичное дутье подается от одного вентилятора котельной установки. Под верхней ветвью колосникового полотна располагаются дутьевые короба с зонами дутья и поворотными шиберами. Подвод воздуха под топку ТЛПХ-1,1/3,0 односторонний, c противоположной стороны предусмотрены окна для очистки дутьевых коробов от провала золы.
В передней части рамы топки с ленточными колосниками на боковых щеках расположены окна для ремонта колосникового полотна. Окна для очистки от провала закрыты люками, а окна для ремонта в передней части закрыты крышками.
Удаление шлака с колосниковой решетки топки происходит за счет движения колосникового полотна, которое приводится в движение приводом. Удаление шлака из шлакового канала производится транспортером шлакозолоудаления.
Топки с ленточными колосниками прямого хода устанавливается на башмаки и имеют свободное расширение в продольном и в поперечном (от привода) направлениях.
Устройство топки
Механические топки с ленточной колосниковой решеткой прямого хода ТЛПХ-1,1/3,0 состоит из рамы, двигателя и волнового редуктора МВр-350-5491. Скорость движения колосникового полотна регулируется частотным преобразователем либо самим редуктором.
Рама механической топки состоит из двух щек, соединенных между собой поперечными балками. Опорный башмак рамы крепится к щеке болтами и подливается бетоном у фундамента. На щеках закреплены боковые чугунные уплотнения, по которым скользят полки крайних колосников полотна колосникового. Длина уплотнения подобрана так, что на каждом из них всегда находится один колосник. Этим предотвращается перетекание воздуха из зоны в зону.
Для того, чтобы купить топку ТЛПХ-1,1/3,0 вы можете сделать заявку в отдел сбыта по телефону 8-800-700-06-43, либо оформить заказ он-лайн. Инженеры-консультанты дадут консультацию и рассчитают стоимость доставки. Транспортирование топки ТЛЗМ может осуществляться автотранспортом, ж/д полувагонами и речным транспортом.
Сертификаты и гарантии